H44N旋啟式止回閥閥瓣利用流體壓差和自身重力實現旋轉運動,流阻系數小,旋啟式止回閥適用于大多部分的貯罐區垂直管路上,自動阻止截止逆流,保證上游設備。

| 設計、制造 | 法蘭連接 | 結構長度 | 公稱通徑 | 公稱壓力 |
|---|---|---|---|---|
| GB/T12237-89 | JB/T79-94、GB9113-2000 | GB12221-89 | DN25~DN200mm | PN2.5、4.0MP |
| 公稱壓力 | 試驗壓力 | 適用介質 | 適宜溫度 | |
|---|---|---|---|---|
| 殼體 | 密封 | |||
| 2.5 | 3.75 | 2.75 | 液化石油氣 | -40~+80℃ |
| 4.0 | 6.0 | 4.4 | ||
| 零件名稱 | 閥體、閥蓋 | 密封面與閥瓣 |
|---|---|---|
| 材料 | 碳鋼 | 不銹鋼和尼龍1010 |
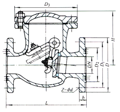
| 公稱通徑 DN(mm) | H41N-25型主要尺寸(mm) | 重量 (kg) |
||||||||
|---|---|---|---|---|---|---|---|---|---|---|
| L | D | D1 | D2 | b | f | Z-фd | H | D3 | ||
| 25 | 160 | 115 | 85 | 65 | 16 | 2 | 4-14 | 120 | 92 | 10 |
| 32 | 190 | 135 | 100 | 78 | 18 | 3 | 4-18 | 135 | 120 | 12 |
| 40 | 200 | 145 | 110 | 85 | 18 | 3 | 4-18 | 145 | 135 | 15 |
| 50 | 230 | 160 | 125 | 100 | 20 | 3 | 4-18 | 155 | 150 | 20 |
| 80 | 310 | 195 | 160 | 135 | 22 | 3 | 8-18 | 185 | 200 | 36 |
| 100 | 350 | 230 | 190 | 160 | 24 | 3 | 8-23 | 210 | 270 | 55 |
| 125 | 400 | 270 | 220 | 188 | 28 | 3 | 8-25 | 245 | 310 | 70 |
| 150 | 480 | 300 | 250 | 218 | 30 | 3 | 8-25 | 276 | 375 | 105 |
| 200 | 600 | 360 | 320 | 280 | 32 | 3 | 12-25 | 330 | - | 170 |
溫馨提示:
本文中所有文字、數據、圖片均只適用于參考。需要查看更多的H44N旋啟式止回閥性能參數、結構尺寸參數、價格等詳情,或要求印刷樣本,請聯系我們。
主營產品:氣動調節閥 - 電動調節閥 - 自力式調節閥
版版權所有 © 上海大田閥門管道工程有限公司
地址:上海市浦東新區川宏路528號宏圖大樓5樓
